Технічний рисунок - це наочне зображення виробу, деталі тощо, що виконується без застосування креслярських інструментів, в окомірному масштабі, з дотриманням пропорцій
Аксонометричне зображення предмета, виконане від руки, з додержанням його пропорцій у розмірах на око, називають технічним рисунком.
Технічними рисунками користуються тоді, коли потрібно швидко і зрозуміло показати на папері форму предмета.
Під час виконання технічних рисунків додержуються тих самих правил, що й під час побудови аксонометричних проекцій: під тими ж кутами розміщують осі, розміри відкладають уздовж осей або паралельно їм.
Вибір виду аксонометричної проекції, на основі якої виконується технічний рисунок, залежить від форми зображуваного предмета. Передовсім при цьому враховують простоту побудов на рисунку і можливість якнайповніше передати форму предмета.
Як уже було показано раніше, елементи поверхні предмета зображаються без спотворень у фронтальній диметричній проекції, коли вони розміщені у площинах, паралельних до фронтальної площини проекцій. Тому цей вид аксонометрії доцільно обирати тоді, коли всі зображувані кола перебувають у паралельних площинах проекцій: вони не матимуть спотворень і можуть бути проведені циркулем. Ізометрію обирають тоді, коли круглі елементи розміщені по різні боки предмета. Овали, які замінюють на аксонометрії кола, у всіх площинах будуються однаково і порівняно просто.
Технічний рисунок зручно виконувати на папері в клітинку. Це полегшує проведення ліній і виконання побудов. На рис. 7.15 показано побудову аксонометричних осей на папері в клітинку. Щоб дістати кут 45°, осі проводять по діагоналі клітинок Відношення відрізків завдожки 3 і 5 клітинок дає нахил осі під кутом 30°
Спочатку на осьових лініях на відстані від центра, що дорівнює радіусу кола, наносять чотири штрихи. Між ними наносять ще чотири штрихи. Потім штрихи з’єднують і проводять коло.
Для кращого виявлення об’ємності предмета на технічних рисунках наносять штриховку. При цьому передбачається, що світло падає на предмет зліва зверху. Освітлені поверхні залишаються світлими, а затінені заштриховують, причому штриховка тим густіша, чим темніша поверхня. Затінені сторони штрихуються у вигляді сітки, точок або прямих ліній Здебільшого штриховку наносять не на всій поверхні предмета, а лише в тих місцях, де є потреба підкреслити (виділити) рельєфність форми предмета.
Для показу внутрішніх обрисів предметів на аксонометричних зображеннях і технічних рисунках застосовують розрізи). Обриси розрізу збігаються з головними осями предмета. Причому лінії розрізу викреслюються як лінії видимого контуру. Найчастіше розрізи виконують з вирізом четвертої частини предмета.
Розрізані поверхні штрихують у протилежних напрямах. Лінії штриховки наносять так, як показано на рис.
Розміри на технічних рисунках не наносять, тому що за ними вироби не виготовляють, а лише застосовують для пояснення форми предмета.

Приклад послідовності виконання технічного рисунка
1. Побудувати аксонометричні осі й намітити розташування деталі (рис. 3.4, а).
2. Позначити габаритні розміри деталі, починаючи з основи, і побудувати об’ємний паралелепіпед, який охопив би всю деталь (рис. 3.4, б).
3. Паралелепіпед подумки поділити на окремі геометричні форми - його складові, і виділити їх тонкими лініями (рис. 3.4, в).
4. Після перевірки та уточнення обвести лініями необхідної товщини видимі елементи деталі (рис. 3.4, г, д).
5. Вибрати спосіб відтінення і закінчити технічний рисунок (рис. 3.4, е).

Рис. 3.4. Послідовність виконання технічного рисунка деталі
Для кращого відображення об’ємності предмета на технічних рисунках наносять штрихування. При цьому передбачається, що світло падає на предмет зліва згори. Освітлені поверхні залишають світлими, а затінені штрихують - тим інтенсивніше, чим темніша поверхня предмета.
Побудову технічного рисунка рекомендується виконувати олівцем середньої твердості ТМ (НВ), а світлотінь наносять м’яким олівцем М (В).
Тема:Аксонометричні проекції
1. Загальні відомості про аксонометричні проекції.
Для утворення вигляду предмет умовно розміщують усередині прямого тригранного кута, сторони якого являють собою площини проекцій — фронтальну, горизонтальну і профільну. Послідовним проеціюванням предмета на ці площини одержують зображення видимих його сторін — вигляди. Кожний вигляд зокрема дає уявлення про форму предмета тільки з одного боку. Щоб створити уявлення про форму предмета в цілому, потрібно проаналізувати і порівняти між собою окремі вигляди. Створення цілісного уявлення про предмет за його виглядами на кресленні — завдання досить складне.
Предмет можна спроеціювати на площину проекцій і таким чином, щоб на утвореному зображенні було видно декілька його сторін. Утворене таким чином зображення називають наочним. За ним уявити форму предмета легше, ніж за окремими виглядами.
Щоб одержати наочне зображення, предмет певним чином розміщують відносно координатних осей х, у і г і разом з ними проеціюють його на довільну площину. Цю площину називають площиною аксонометричних проекцій, а проекції координатних осей називають аксонометричними осями.Зображення предмета на площині аксонометричних проекцій називають аксонометричною проекцією.

На основі аксонометричних проекцій виконують технічні рисунки, які застосовують для пояснення будови різних предметів.
2. Види аксонометричних проекцій.
Залежно від положення координатних осей, а значить і самого предмета, відносно площини аксонометричних проекцій, утворюються різні аксонометричні проекції. Розглянемо ті з них, які використовують найчастіше.Аксонометричне зображення може бути утворене косокутним і прямокутним проеціюванням.Утворення аксонометричного зображення косокутним проеціювання показано на рисунку
а.

Предмет розміщують так, щоб його передній і задній боки, а також осі х і г, з якими він суміщений, були паралельними площині аксонометричних проекцій. Проеціювання здійснюють паралельними променями під гострим кутом (меншим за 90°) до площини аксонометричних проекцій. На одержаній аксонометричній проекції передній бік предмета зображується в натуральну величину, а лівий і верхній будуть дещо спотвореними. Утворену косокутним проеціюванням аксонометричну проекцію називають фронтальною симетричною проекцією (диметрією). Утворення аксонометричного зображення прямокутним проеціювання показано на рисунку.

урок №6
Наочні зображення предметів у системі аксонометричних проекцій.
1. Загальні відомості про аксонометричні проекції.
Для утворення вигляду предмет умовно розміщують усередині прямого тригранного кута, сторони якого являють собою площини проекцій — фронтальну, горизонтальну і профільну. Послідовним проеціюванням предмета на ці площини одержують зображення видимих його сторін — вигляди. Кожний вигляд зокрема дає уявлення про форму предмета тільки з одного боку. Щоб створити уявлення про форму предмета в цілому, потрібно проаналізувати і порівняти між собою окремі вигляди. Створення цілісного уявлення про предмет за його виглядами на кресленні — завдання досить складне.
Предмет можна спроеціювати на площину проекцій і таким чином, щоб на утвореному зображенні було видно декілька його сторін. Утворене таким чином зображення називають наочним. За ним уявити форму предмета легше, ніж за окремими виглядами.

Щоб одержати наочне зображення, предмет певним чином розміщують відносно координатних осей х, у і г і разом з ними проеціюють його на довільну площину. Цю площину називають площиною аксонометричних проекцій, а проекції координатних осей називають аксонометричними осями.Зображення предмета на площині аксонометричних проекцій називають аксонометричною проекцією.

На основі аксонометричних проекцій виконують технічні рисунки, які застосовують для пояснення будови різних предметів.
2. Види аксонометричних проекцій.
Залежно від положення координатних осей, а значить і самого предмета, відносно площини аксонометричних проекцій, утворюються різні аксонометричні проекції. Розглянемо ті з них, які використовують найчастіше.Аксонометричне зображення може бути утворене косокутним і прямокутним проеціюванням.Утворення аксонометричного зображення косокутним проеціювання показано на рисунку а.

Предмет розміщують так, щоб його передній і задній боки, а також осі х і г, з якими він суміщений, були паралельними площині аксонометричних проекцій. Проеціювання здійснюють паралельними променями під гострим кутом (меншим за 90°) до площини аксонометричних проекцій. На одержаній аксонометричній проекції передній бік предмета зображується в натуральну величину, а лівий і верхній будуть дещо спотвореними. Утворену косокутним проеціюванням аксонометричну проекцію називають фронтальною симетричною проекцією (диметрією). Утворення аксонометричного зображення прямокутним проеціювання показано на рисунку.

Предмет розміщують так, щоб три його боки з осями х, у і г були нахилені до площини аксонометричних проекцій під однаковими кутами. Проеціювання здійснюють паралельними променями, спрямованими перпендикулярно до площини аксонометричних проекцій. На одержаній аксонометричній проекції видно три боки предмета, але з деякими спотвореннями. Утворену прямокутним проеціюванням аксонометричну проекцію називають ізометричною проекцією.Для побудови аксонометричних проекцій розміри зображень відкладають уздовж аксонометричних осей х, у і г. Тому побудову аксонометричної проекції починають з проведення аксонометричних осей.
Осі фронтальної диметричної проекції розміщують так: вісь x — горизонтально, вісь z — вертикально, вісь y — під кутом 45° до горизонтальної лінії.

Положення осей ізометричної проекції розміщують так: вісь z розміщують вертикально, осі x та y під кутом 120º до осі z або під кутом 30º до горизонтальної лінії.

3. Геометричні побудови аксонометричних зображень.
Слід звернути увагу на спотворення зображень. Однак для оперативності побудови зображень будемо враховувати лише значні відхилення. Це, зокрема, всі відстані по осі у в фронтальній диметричній аксонометрії.Побудова аксонометричних проекцій плоских фігур, розміщених вертикально.

Побудова аксонометричних проекцій плоских фігур, розміщених горизонтально.

1. Поняття про переріз.
Іноді через наявність на поверхні предмета заглибин, виступів, пазів та інших конструктивних особливостей виникає необхідність виконувати на кресленні додатковий вигляд, який може бути складним і малозрозумілим. Щоб точніше виявити форму предметів на кресленнях, крім виглядів, застосовують ще й інші зображення. До таких зображень належать перерізи.
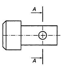
Щоб отримати переріз, предмет умовно розрізають уявною площиною в тому місці, де необхідно виявити його форму. На малюнку показано наочне зображення предмета, умовно перерізаного допоміжною площиною А.

Цю уявну площину називають січною. Щоб побачити фігуру перерізу, ту частину предмета, яка розміщена між січною площиною А і спостерігачем, умовно відкидають. На уявній січній площині чітко видно фігуру утвореного перерізу.

Утворену умовно на січній площині фігуру суміщають із площиною креслення і викреслюють її. Зображення фігури, утвореної уявним перерізуванням предмета січною площиною, називають перерізом. Як правило, фігуру перерізу креслять у тому самому масштабі, що й вигляд, до якого належить переріз.

Перерізи найчастіше застосовують для того, щоб показати поперечну форму предметів та форму отворів, заглибин, вирізів на поверхнях округлих деталей тощо.

На перерізі показують тільки те, що є у січній площині. Усе, що міститься перед цією площиною і поза нею, вважається уявно видаленим.
2. Види перерізів.
Залежно від розміщення відносно вигляду зображеного на кресленні предмета переріз може бути винесеним або накладеним.
Винесений переріз розміщують поза контуром вигляду зображеного на кресленні предмета.

Накладений переріз розміщують усередині контуру, тобто безпосередньо на вигляді зображеного на кресленні предмета.

Винесені перерізи розміщують, по можливості, в розриві вигляду.

Під час виконання креслень перевагу надають винесеним перерізам, оскільки вони не обтяжують креслення зайвими лініями і значно зручніші для нанесення розмірів.
3. Виконання та позначення перерізів.
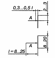
Положення січної площини на кресленні вказують лінією перерізу. Для цього застосовують розімкнуту лінію у вигляді двох штрихів.

Ця лінія не повинна перетинати контур вигляду на кресленні та доторкатися до нього. Напрям, у якому потрібно дивитися на уявну січну площину, вказують стрілками. Із зовнішнього боку стрілок пишуть однакові великі літери українського алфавіту. Літери завжди розміщують вертикально. Розміри штрихів розімкнутої лінії і стрілок показані на малюнку.

Контур винесеного перерізу обводять суцільною лінією такої самої товщини, як і видимі контури зображень на кресленні. Розміщують винесений переріз якнайближче до того місця, де вказано положення січної площини.

Щоб креслення було виразнішим, фігуру перерізу виділяють штрихуванням у вигляді паралельних ліній. Штриховку наносять суцільними тонкими лініями під кутом 45°. Відстань між лініями штриховки вибирають у межах 2...4 мм. Нахил ліній штриховки можна виконувати як уліво, так і вправо.

Фігуру перерізу позначають такими самими літерами, якими було позначено лінію перерізу: А-А, Б-Б, В-В, тобто двома однаковими літерами через тире. Напис завжди розміщують горизонтально.
Якщо фігура перерізу симетрична, то винесений переріз може бути розміщений на продовженні лінії перерізу, яку в цьому випадку показують штрихпунктирною лінією. Стрілками і літерами такий переріз не позначають.

Винесений переріз може бути розміщений у розриві того вигляду, до якого він належить. Умовний розрив предмета на вигляді обмежують тонкою хвилястою лінією. Якщо предмет симетричний, лінію перерізу не проводять і ніяких додаткових позначень не роблять.

Для несиметричних перерізів, розміщених у розриві, вказують лінію перерізу за допомогою розімкнутої прямої зі стрілками, але без позначень літерами.

Накладений переріз розміщують на самому вигляді, до якого він належить, і саме там, де проходить січна площина. Фігуру накладеного перерізу обводять суцільною тонкою лінією. Контурні лінії вигляду в тому місці, де на нього накладається фігура перерізу, не повинні перериватись.
При виконанні накладеного симетричного перерізу лінію перерізу не проводять і ніяких позначень не роблять. Фігура такого перерізу повинна мати вісь симетрії, проведену у вигляді штрихпунктирної лінії.

Для несиметричних накладених перерізів лінію перерізу проводять у вигляді розімкнутої лінії зі стрілками, але літерами не позначають.

На фігуру перерізу, як і на інші зображення на кресленні, в разі необхідності наносять розміри.

Штриховка перерізів не лише надає кресленню виразності, а й умовно показує, з якого матеріалу виготовлено предмет. Застосовують різні види штриховок, які відповідають певним матеріалам.
Штриховки перерізів для деяких найпоширеніших матеріалів наведено в таблиці. Їх називають умовними графічними позначеннями матеріалів на кресленнях.

Немає коментарів:
Дописати коментар